Блоки предохранителей и реле ВАЗ-2107
панель для быстрого выбора категории
подъёмники

Все предохранители и реле в легендарной семёрочке. В этой статье собраны описания блоков предохранителей и реле Ваз 2107 со схемами и всеми вариантами исполнения 👇. Также покажем предохранитель прикуривателя и расскажем где находится реле печки, и предохранитель и реле бензонасоса. Также в конце статьи будет фото расположения диагностического разъёма.
Блок предохранителей и реле ВАЗ 2107 под капотом
новый блок

с открытой крышкой

старый блок

| № предохранителя (номинальный ток)* | Назначение предохранителей |
| F1 (8А/10А) | Задние фонари (свет заднего хода). Предохранитель заднего хода. Электродвигатель отопителя. Предохранитель печки. Лампа сигнализатора и реле обогрева заднего стекла (обмотка). Электродвигатель очистителя и омывателя заднего стекла (ВАЗ-21047) |
| F2 (8/10А) | Электродвигатели очистителей, омывателей ветрового стекла и фар. Реле очистителей, омывателей ветрового стекла и фар (контакты). Предохранитель дворников ВАЗ 2107 |
| F3/4 (8А/10А) | Запасной |
| F5 (16А/20А) | Нагревательный элемент обогрева заднего стекла и его реле (контакты) |
| F6 (8А/10А) | Предохранитель прикуривателя ВАЗ 2107. Штепсельная розетка для переносной лампы |
| F7 (16А/20А) | Звуковой сигнал. Электродвигатель вентилятора охлаждения радиатора. Предохранитель вентилятора ВАЗ 2107. |
| F8 (8А/10А) | Указатели поворота в режиме аварийной сигнализации. Выключатель и реле- прерыватель указателей поворота и аварийной сигнализации (в режиме аварийной сигнализации) |
| F9 (8А/10А) | Противотуманные фонари. Регулятор напряжения генератора Г-222 (на части автомобилей) |
| F10 (8А/10А) | Комбинация приборов. Предохранитель панели приборов. Лампа сигнализатора и реле заряда аккумуляторной батареи. Указатели поворотов и соответствующие лампы сигнализаторов. Лампы сигнализаторов резерва топлива, давления масла, стояночного тормоза и уровня тормозной жидкости. Вольтметр. Приборы системы управления электропневмоклапаном карбюратора. Реле-прерыватель лампы сигнализатора стояночного тормоза |
| F11 (8А/10А) | Лампы сигнала торможения. Плафоны внутреннего освещения кузова. Предохранитель стоп сигнала. |
| F12 (8А/10А) | Дальний свет (правая фара). Обмотка включения реле очистителей фар |
| F13 (8А/10А) | Дальний свет (левая фара) и лампа сигнализатора включения дальнего света фар |
| F14 (8А/10А) | Габаритный свет (левая фара и правый задний фонарь). Лампа сигнализатора включения габаритного света. Фонари освещения номерного знака. Подкапотная лампа |
| F15 (8А/10А) | Габаритный свет (правая фара и левый задний фонарь). Лампа освещения приборов. Лампа освещения прикуривателя. Лампа освещения вещевого ящика |
| F16 (8А/10А) | Ближний свет (правая фара). Обмотка включения реле очистителя фар |
| F17 (8А/10А) | Ближний свет (левая фара) |
| * В знаменателе для предохранителей штыревого типа | |
реле в монтажном блоке ВАЗ-2107
| № реле | Назначение |
| 1 | Реле включения обогрева заднего стекла |
| 2 | Реле включения очистителей и омывателей фар |
| 3 | Реле включения звуковых сигналов (установлена перемычка) |
| 4 | Реле включения электродвигателя вентилятора системы охлаждения (с 2000 года не используется) |
| 5 | Реле включения дальнего света фар |
| 6 | Реле включения ближнего света фар |
Блок предохранителей и реле в салоне ВАЗ-2107 инжекторная
блок находится за бардачком

| № реле/ преда | ток | Назначение |
| F1 | 7,5А | Предохранитель цепи главного реле |
| F2 | 7,5А | Предохранитель ЭБУ |
| F3 | 15А | Предохранитель бензонасоса |
| R1 | — | Главное реле |
| R2 | — | Реле топливного насоса |
| R3 | — | Реле электровентилятора |
Расположение диагностического разъёма в ВАЗ 2107 инжектор
Разъём диагностики находится с правой стороны под бардачком, на фото показан стрелкой


Где находится кнопка валет в ВАЗ 2107
Кнопка валет служит для настройки и аварийного снятия с охраны сигнализации без брелка, последовательность действий для аварийного снятия смотрите в руководстве пользователя для вашей модели сигнализации. Установщик может поставить кнопку валет в любое место, но из практики чаще всего она бывает установлена возле диагностического разъёма, на фото показана стрелкой. Также чаще всего там же можно найти и датчик удара, на нём можно отрегулировать чувствительность на слабый и сильный удар.

Схема подключения генератора ВАЗ-2107

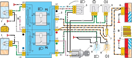
Схема и цвета проводов габаритов и фар ВАЗ 2107

Схема и цвета проводов поворотов и аварийки ВАЗ 2107

Схема и цвета проводов стоп сигналов ВАЗ 2107

Схема и цвета проводов платы заднего фонаря ВАЗ 2107

Распиновка и цвета проводов выключателя фар ВАЗ 2107