Блоки предохранителей и реле Lada Priora и электросхемы

lada priora фото чёрно-белое

Все предохранители, реле и электросхемы автомобилей Лада Приора (2007 - 2018). Отдельно, красным цветом выделим предоханитель прикуривателя, бензонасоса и отопителя, которые чаще всего ищут. Также здесь вы найдёте расположение диагностического разъёма и наиболее частое расположение кнопки валет.



Расположение предохранителей в Приоре



Предохранители и реле в Приоре расположеныв двух блоках - в салоне и под капотом.



lada priora расположение блока предохранителей в салоне

чтобы добраться до предохранителей в салоне, снимите эту крышку, это несложно, у вас получится 😏

Схема предохранителей в салоне Lada Priora



Монтажный блок 1118-3722010-00



lada priora расположение блока предохранителей в салоне блок 1118-3722010-0

Монтажный блок DELRHI 15493150



lada priora расположение блока предохранителей в салоне блок DELRHI 15493150


А
Функция/компонент
F125DELRHI 15493150: Не используется
1118-3722010-00:  Электродвигатель вентилятора системы охлаждения двигателя
F225Монтажный блок, реле включения обогрева заднего стекла (контакты)
Контроллер электропакета, контакт «10» колодки XP2
Элемент обогрева заднего стекла
F310Правая фара, лампа дальнего света
Комбинация приборов, сигнализатор включения дальнего света фар
F410Левая фара, лампа дальнего света
F510Монтажный блок, реле включения звукового сигнала
Звуковой сигнал
F67,5Левая фара, лампа ближнего света
Мотор-редуктор регулятора направления пучка света левой блок-фары
F77,5Правая фара, лампа ближнего света
Мотор-редуктор регулятора направления пучка света правой блок-фары
F810Монтажный блок, реле включения сирены сигнализации
Звуковой сигнал штатной сигнализации
F925

DELRHI 15493150: Не используется
1118-3722010-00:  Электродвигатель вентилятора отопителя

F1010DELRHI 15493150: Комбинация приборов, контакт «20»
Выключатель стоп-сигнала
Лампы стоп-сигналов
Блок освещения салона
Плафон освещения салона
Плафон освещения порога правой передней двери
Дополнительный сигнал торможения
7.51118-3722010-00: Жидкокристаллический индикатор комбинации приборов
Лампы сигналов торможения
Лампа плафона освещения салона
F1120Монтажный блок, реле включения высокой скорости очистителя ветрового стекла
Переключатель очистителей и омывателей, контакт «53а»
Переключатель очистителей и омывателей, контакт «53ah»
Выключатель обогрева заднего стекла
Монтажный блок, реле включения обогрева заднего стекла (обмотка)
Электродвигатель очистителя ветрового стекла
Электродвигатель очистителя заднего стекла (2171, 2172)
Электродвигатель омывателя ветрового стекла
Электродвигатель омывателя заднего стекла (2171, 2172)
Блок управления надувных подушек безопасности, контакт «25»
F1210Комбинация приборов, контакт «21»
Контроллер электропакета, контакт «9» колодки X2
Блок управления электромеханическим усилителем рулевого управления, контакт «1» колодки X2
Выключатель лампы света заднего хода
Лампы света заднего хода
Блок управления системы парковки, контакт «11» и «14»
F1315 Прикуриватель
F145Лампы габаритного света (левый борт)
Комбинация приборов, сигнализатор главного включателя света
Фонари освещения номерного знака
Фонарь освещения багажника
Контроллер электропакета, контакт «12» колодки X2
F155Лампы габаритного света (правый борт)
Плафон освещения вещевого ящика
F1610Блок ABS, контакт «18»
5Блок управления ABS
F1710Противотуманная фара левая
F1810Противотуманная фара правая
F1915Выключатель обогрева сидений, контакт «1»
Обогреватели передних сидений
F2010Выключатель рециркуляции (сигнализатор включения)
Монтажный блок, реле включения ближнего света фар и габаритных огней (система автоматического управления освещением)
Реле электровентилятора отопителя
Выключатель автоматического управления освещением
Блок управления стеклоочистителем и внешним освещением, контакты «3», «11»
Контроллер системы автоматического управления климатической установкой, контакт «1»
Датчик системы автоматической очистки стекол (датчик дождя), контакт «1»
F215С 2007 года: Переключатель световой сигнализации, контакт «30»
Колода диагностики, контакт «16»
Часы
Контроллер системы автоматического управления климатической установкой, контакт «14»
10С 2013 года: Центральный блок кузовной электроники (центральный замок, электростеклоподъемники, аварийная сигнализация, указатели поворотов, дальний свет фар, сигнализация дальним светом, обогрев сидений, обогрев заднего стекла, очиститель ветрового стекла, блок автоматического управления наружным освещением)
Диагностический разъем
Блок управления отопителем
F2220С 2007 года: Электродвигатель очистителя ветрового стекла (автоматический режим)
Монтажный блок, реле включения очистителя ветрового стекла и реле включения высокой скорости очистителя ветрового стекла, (контакты)
5С 2013 года: Блок выключателей на двери водителя
F237,5С 2007 года: Блок управления стеклоочистителем и внешним освещением, контакт «20»
5С 2013 года: Дневные ходовые огни
F2415С 2013 года: Блок управления системой надувных подушек безопасности
F2520С 2013 года: Центральный блок кузовной электроники, очиститель ветрового стекла
F265С 2013 года: Задние противотуманные огни
F27Запасной
F28Запасной
F29Запасной
F30Запасной
F3130Контроллер электропакета, клемма «2» колодки X1
Контроллер электропакета, клемма «3» колодки X1
Модуль двери водителя, контакт «6»
Плафон освещения порога левой передней двери
F3230С 2013 года: Электровентилятор отопителя
Реле
К1Реле вентилятора системы охлаждения (на автомобиле без кондиционера)
Люкс Плюс: Реле включения ближнего света и габаритных огней фар (система автоматического управления освещением; 5-1393304-8 TYCO)
К2Реле включения обогрева заднего стекла
К3Реле включения стартера
К4Реле разгрузки выключателя зажигания
К5Не используется
К6С 2007 года: Реле очистителя ветрового стекла
С 2013 года: Не используется
К7Реле включения дальнего света фар
К8Реле включения звукового сигнала
К8Реле ближнего света фар
К9С 2007 года: Реле включения звукового сигнала тревожной сигнализации
С 2013 года: Реле автоматического управления наружным освещением(блок автоматического управления наружным освещением (дальний и ближний свет фар, противотуманные фары, лампы противотуманного света в задних фонарях, регулятор направления пучков света фар))
К10Реле включения противотуманных фар
К11С 2007 года: Реле включения обогрева передних сидений
С 2013 года: Реле задних противотуманных огней
К12Люкс Плюс: Реле включения очистителя ветрового стекла (прерывистый режим и автоматический режим)


Блок предохранителей под капотом Лада Приора



lada priora расположение блока предохранителей под капотом


А
Функция/компонент
130Обмотка главного реле, предохранитель постоянного питания контроллера, предохранитель силовой цепи главного реле
260С 2007 года: Цепи всех потребителей, запитываемых от замка зажигания
40С 2013 года: Блок управления ABS
360Цепи потребителей, к которым подводится постоянный «+» от аккумуляторной батареи независимо от положения ключа в замке зажигания (плафон освещения салона, прикуриватель, звуковой сигнал, сигналы торможения, контроллер системы дистанционного управления электропакетом)
40С 2013 года: Блок управления ABS
460Силовая цепь генератора (соединение генератора с аккумуляторной батареей)
550Цепь питания электроусилителя рулевого управления
660Силовая цепь генератора (соединение генератора с аккумуляторной батареей)


дополнительный блок предохранителей под капотом




А
Функция/компонент
150Элемент обогрева ветрового стекла
2Не используется
340Электродвигатель вентилятора отопителя
415Цепь электромагнитной муфты компрессора кондиционера
530Электродвигатель дополнительного вентилятора системы охлаждения
630Электродвигатель основного вентилятора системы охлаждения
Реле
К1Реле большой скорости вентиляторов системы охлаждения (на автомобиле с кондиционером)
К2Реле кондиционера
К3Реле вентилятора отопителя
К4Реле малой скорости вентиляторов системы охлаждения (на автомобиле с кондиционером)
К5Управляющее реле вентиляторов системы охлаждения (на автомобиле с кондиционером)


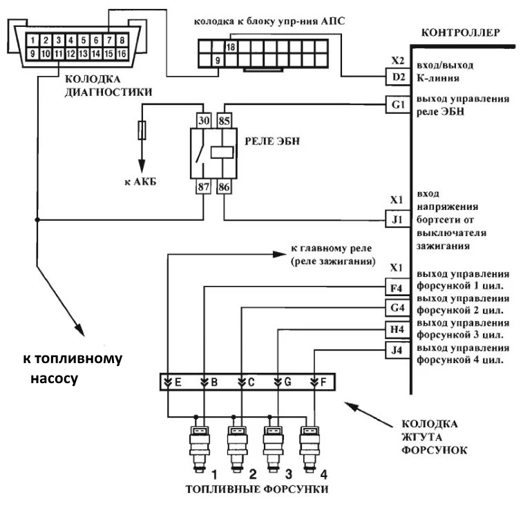
Предохранитель и реле топливного насоса Приора



lada priora расположение предохранителя бензонасоса


А
Функция/компонент
115С 2013 года: Цепь постоянного питания контроллера
7.5С 2007 года: Цепь постоянного питания контроллера
215Топливный насос
315С 2007 года: Главное реле
С 2013 года: Не используется
415С 2013 года: Главное реле
С 2007 года: Не используется
Реле
К1Реле топливного насоса
К2Главное реле


Кнопка валет на приоре



Кнопка валет может находится где угодно, это зависит от фантазии установщика сигнализации, но из опыта чаще всего её устанавливают в салонном блоке предохранителей, впервую очередь смотрите там. Как она выглядит показано на фото.



lada priora расположение кнопки валет

Схема фар Лада Приора



lada priora схема фар

1 – блок-фары;
2 – контрольная лампа включения дальнего света фар в комбинации приборов;
3 – монтажный блок;
4 – подрулевой переключатель света фар;
5 – модуль управления светотехникой;
6 – выключатель (замок) зажигания;
К7 – реле включения дальнего света фар;
А – к основному блоку предохранителей (F3);
В – к контроллеру электропакета, вывод «14»



Схема сигнала Лада Приора



lada priora схема сигнала

Расположение диагностического разъёма Лада Приора



lada priora obd



Диагностический разъём находится за бардачком.



Схема бензонасоса Лада Приора



lada priora obd