Предохранители ALT и ALT-S
Оба предохранителя, ALT и ALT-S относятся к системе зарядки и располагаются всегда в монтажном блоке под капотом, но функции у них разные, как и размеры, и номинальный ток. Начнём с предохранителя ALT-S
Предохранитель ALT-S за что отвечает
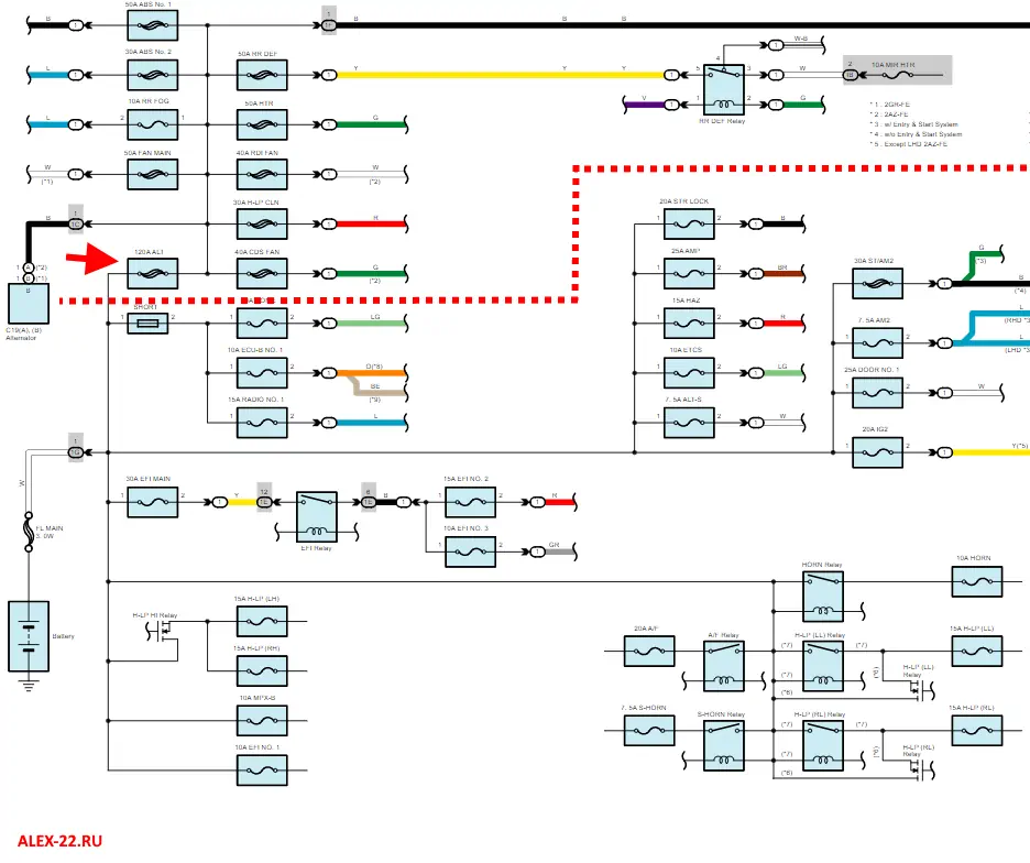
Тут всё просто, предназначение предохранителя ALT-S, это предоставить постоянный плюс для регулятора напряжения в генераторе (клемма S), номиналом 7,5 ампер (также бывает 5 ампер). Это нужно для контроля напряжения в бортсети, как на схеме ниже. Это типичная схема системы зарядки Тойоты Камри ACV40.

Казалось бы, зачем нужно тянуть отдельный провод для регулятора если есть силовой, к примеру бошевские генераторы не имеют такого. Это сделано для измерения напряжения непосредственно на аккумуляторе, без потерь на силовом проводе, а это может быть и 0.5 вольта при большой нагрузке генератора.
Предохранитель ALT для чего
Предохранитель ALT это силовой предохранитель номиналом 80 100 120 140 Ампер в зависимости от модели автомобиля и он отделяет генератор и часть электрооборудования автомобиля от аккумулятора как на схеме ниже

Для замены предохранителя ALT всегда нужно подразобрать монтажный блок так как он всегда крепится на болтах и доступа к ним без разборки блока нет
Вот так выглядят предохранители ALT и ALT-S в камри 30