TOYOTA PASSO ремонт кнопок стеклоподъёмника

Toyota Passo предохранитель розетки прикуривателя

Тойота Королла 2018 схема вентилятора радиатора

Toyota Highlander 2011 замена подсветки режимов АКПП (PRDN)

Toyota Rav4 2018 схема подогрева сидений

Toyota Rav4 2018 front seat heater wiring diagram

Toyota Rav4 2018 the rear seat heater wiring diagram

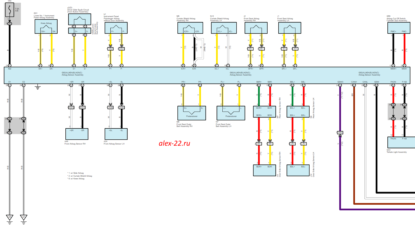
Toyota Rav4 2015+ srs airbag wiring diagram

Toyota Rav4 2015+ srs airbag схема

Toyota Corolla | Matrix ошибки P043E, P043F, P2401, P2402, P2419

Как работает датчик уровня топлива в баке

RAV4 2001-2003 ремонт ЭБУ