Модели
Bmw
Chevrolet
Toyota
Lexus
Ford
Volkswagen
Subaru
MMC
Peugeot
Honda
Hyundai
Jeep
Opel
Mazda
общие
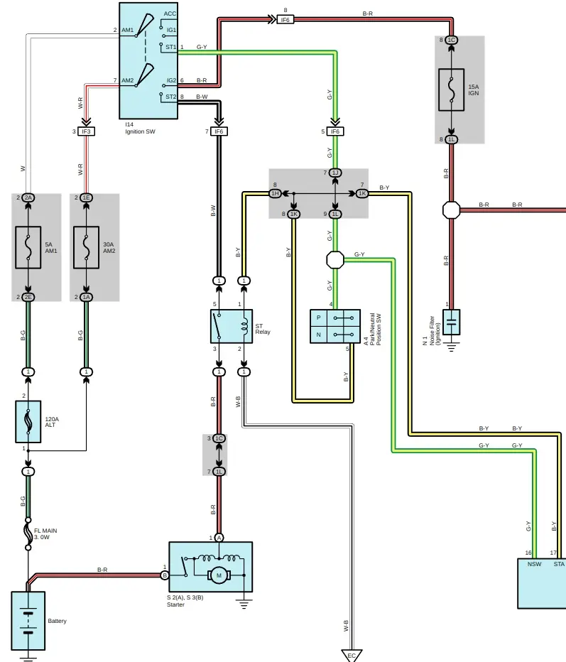
Lexus ES330 схема стартера и генератора
Электросхема генератора Lexus ES330 2005+
Электросхема стартера Lexus ES330 2005+