Toyota Corolla (2019-2021) замена зеркального элемента
Toyota Tacoma отключение лампы давления в шинах
Toyota Rav4 05-16 замена аккумулятора
Замена клемм аккумулятора
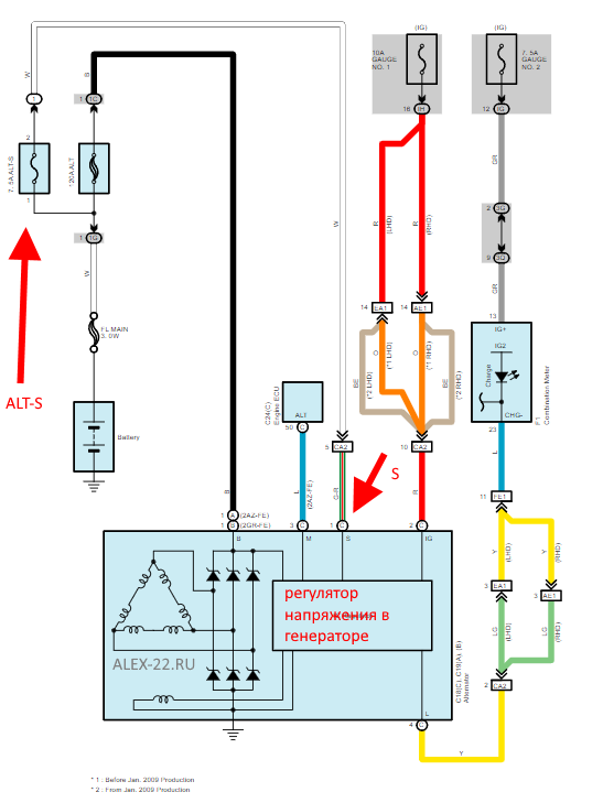
Предохранители ALT и ALT-S
Toyota Rav4 XA50 тип всех ламп
Toyota Camry XV70 (2017+) тип всех ламп
✋ Тойота Камри 2018-2021 предохранитель прикуривателя, фото замены
Headlight System Mailfunction Toyota LC200
Toyota Sienna горит Airbag, ошибка B1650
Toyota RAV4 ошибки B1653, B1656, B1650
2006 Rav4 индикация неисправности подушки безопасности при появлении кода SRS 32 или 3-2
« первая
предыдущая
страница 2 из 3.
следующая
последняя »